
(一)产品介绍
浮动盘管换热器是近年来国内发展的一种新型换热设备。与固定U型管束相比,浮动盘管能上下轻微浮动,产生高频振动,形成良好紊流传热状态,并且它能借助通过高温热媒的薄壁铜管管壁与管外壁结垢层膨胀量的差异,在一定条件下,使水垢自动脱落。但水垢的自动去除受水质、使用条件热媒工况、维护管理等多项因素影响。任何产品均不能因此忽略盘管维护检修。
DFHRV导流型浮动盘管半容积式换热器是在浮动盘管作为换热器元件的基础上,就解决同类换热设备存在的问题做出了较深的研究改进。
它具有如下特点:
1、浮动盘管维护方便,盘管可在罐内进行检修或更换。
2、采用多行程螺旋的浮动管组,热媒分布均匀,流程长,消除了短路换热现象。同时,本产品借用了RV-03/04导流的原理,在大直径的罐体内合理地设置了导流装置,进一步改善了换热工况。本产品样罐经过检测,汽水换热时,在蒸汽压力Pt=0.2~0.4MPa(温度为T1=126~152℃),被加热水T2=65℃,凝结水出水温度T2≤40℃的工况下,传热系数K=2100Kcal/㎡.h.℃。水水换热时,在热媒进出水温度为T1=82℃、T2=50℃的工况下,K=1200Kcal/㎡.h.℃,充分显示出高效率,换热充分的优异性能。
3、本产品换热管束底部已接近罐底,加上导流装置之作用,罐内基本上消除了冷水滞水区,容积利用率达100%。
4、被加热水水头损失0.5-1米,不影响系统冷热水压力平衡。
5、浮动盘管采用优质薄壁紫铜管或不锈钢管,有利于利用管壁与结垢层的不同膨胀量脱落水垢,以此减少维护管理工作量,保持高效节能。
(二)设计使用说明
1、本系列换热器适用于一般工业及民用建筑的热水供应系统,热媒为蒸汽或高温热水,设计选用时应注明热媒品种。
2、每一规格的换热器,均设有四种或四种以上换热面积,设计值既保证合理的贮水容积(一般宜为15-20分钟的设计小时热水量),又充分发挥其高效热能力两个方面来选用盘管面积。本产品亦可根据用户特殊需要非定型产品设计。
3、被加热水出口温度不得高于75℃,实际使用时,为延缓结垢,被加热水温度宜控制在50-60℃之间。
4、材质:壳体可按用户要求,选择不锈钢材料(SUS304、SUS316L、SUS2205)或碳钢内衬SUS304、碳钢内衬SUS316L、碳钢内衬SUS444、碳钢内衬铜;浮动盘管材料采用紫铜管或不锈钢管。
5、按《外形尺寸及安装图》做加筋砼支撑,并预留螺孔位置。砼支墩尺寸按尺寸表注。
6、安全技术要求:
1)在换热器顶部安装安全阀,安全阀的工作压力应与技术参数表中的壳程设计压力Ps值相同(订购安全阀时应申明)。安全阀的安装和使用应符合国家相关规定。
2)为防止安全阀失控,可在热水系统设计中设膨胀罐、膨胀水箱或压力式膨胀罐。
7、换热器使用中,应视水质及使用情况定期对浮动盘管部分进行维护管理,当水质硬度高时,宜采用事宜的软化措施或水质稳定措施。隔2-3天开启泄水排污阀一次,进行排污。
8、当热媒为蒸汽时,其压力Pt≤0.4MPa,凝结水出水管上可不设疏水器,Pt>0.4MPa时,宜设疏水器。
(三)编号说明

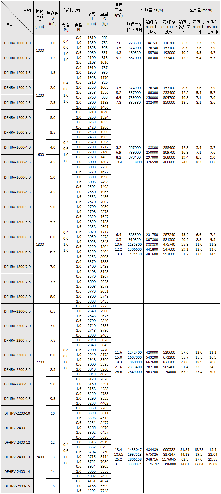
(四)DFHRV导流型浮动盘管半容积式换热器主要技术参数表

(五)DFHRV导流型浮动盘管半容积式换热器尺寸表

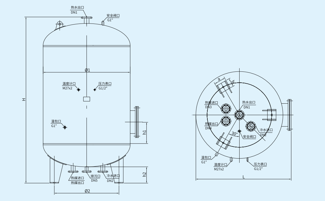
(六)DFHRV导流型浮动盘管半容积式换热器外形尺寸图

(七)DFHRV导流型浮动盘管半容积式换热器管路接管示意图

(八)设备材料表

注:1、热媒为热媒水时,不得设疏水器。
2、蒸汽为热媒时,热媒出水管管径应比热媒进口小2-3号。
3、温控阀由使用方与生产企业商定。
4、配管及配管上的阀门、疏水器、除污器、压力表、温度计等由设计定,使用单位自备。
产品实物图


,