销售热线:

0575-82576788

销售热线:

177-6986-0608
产品中心-绍兴市上德供水设备有限公司
首页 > 产品中心 >承压水箱(储水罐)

不锈钢承压水箱/贮水罐

储水罐制作工艺及展示-加水印.jpg


(一)产品介绍

不锈钢承压水箱/贮水罐,又称承压水箱、承压水罐等,储水罐广泛应用于工业及民用建筑的冷热水压力供水系统,如太阳能供水系统、空气源热泵供水系统、锅炉供水系统、中央空调的冷热水系统及生产、生活、洗浴、消防的压力供水系统。产品分立式和卧式二种,用户可根据设计要求选定设计压力0.25-1.6MPA,储水罐的罐体材质分为碳钢、碳钢内衬不锈钢、碳钢内衬铜、不锈钢SUS304、SUS316L。 

有以下特点:

1、结构简单、外形美观;

2、无运动部件,免操作,免维护,运行可靠;

3、承压运行,设备内部的压力与管路压力平衡一致,不影响终端出水压力且能吸收管道中因水压变化而产生的冲击能量,有效保护管道系统,延长管道与设备的使用寿命。

4、设备可应急储供水,在供水故障时为用户提供安全用水保障。 

(二)设计使用说明

1、产品不得超设计压力、设计温度使用;

2、材质:壳体可按用户要求,可选不锈钢(SUS304、SUS316L、SUS2205)、碳钢内衬SUS304、碳钢内衬SUS316L、碳钢内衬SUS444、碳钢内衬铜等;

3、储水罐设有安全阀装置,应在设备安装就位管路试压完成后再安装安全阀,防止应试压时超压引起安全阀起跳;

4、产品需要预做基础。 

(三)编号说明


QQ截图20210629170911.jpg

(四)不锈钢承压水箱/贮水罐外形尺寸参数表

储水罐外形尺寸参数表.png

说明:

1、所有接管尺寸按实际使用情况而定。

2、表中数据按照储水罐承压为0.6Mpa工况标准,产品材质为碳钢内衬铜皮。

3、列表尺寸储水罐未保温时尺寸,保温层厚度50mm,外加彩钢板或不锈钢板。

4、若储体材质为不锈钢时,可不设人孔。


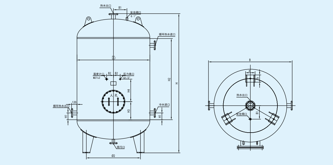
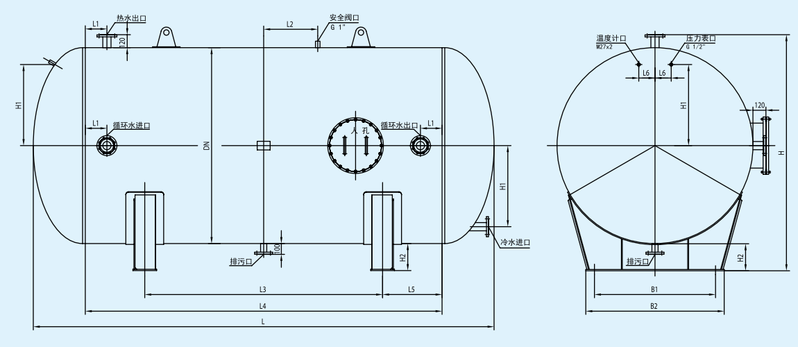
(五)不锈钢承压水箱/贮水罐外形尺寸

卧式不锈钢承压水箱/贮水罐外形尺寸

卧式储水罐外形尺寸改.png

立式不锈钢承压水箱/贮水罐外形尺寸

立式储水罐外形尺寸.png

产品实物图

11.jpg

22.jpg




上一页:碳钢复合储水罐/承压水箱

下一页:橡塑/聚氨酯保温储热水罐