
(一)产品介绍
RV-03、RV-04系列容积式换热器是从专业建筑设计院引进的新型换热器。适用于一般工业及民用建筑的热水供热系统,热媒为蒸汽或高温热水(设计选用时注明热媒品种)。
其特点有:
1、采用小管径换热束,热媒二级换热;
2、罐内增设导流、阻流装置,显著提高传热系数;
3、采用新型换热管束,多流程,热媒利用率高、节能;
4、热媒温降大,为同类标准罐的1.2—2倍;
5、冷水区域小,容积利用率达90%。
(二)设计使用说明
1、被加热水出口温度不得高于75℃,实际使用时,为延缓结垢,被加热水温度宜控制在50-60℃之间。为使运行更安全,热媒出水管上须装设疏水阀。
2、材质:壳体可按用户要求,选择不锈钢材料(SUS304、SUS316L、SUS2205)或碳钢内衬SUS304、碳钢内衬SUS316L、碳钢内衬SUS444、碳钢内衬铜;换热U型管材料分紫铜管、SUS304不锈钢管、SUS316不锈钢管。
3、RV-03产品采用钢制鞍式支座,一般做高H=300mm的混凝土支墩;
RV-04采用支承式支座,一般做高H=200mm的混凝土支墩。
4、换热器应安装安全装置。装设安全阀时,安全阀开启压力应不超过设计压力(订购安全阀时应申明),安全阀的安装和使用应符合国家相关规定。
(三)编号说明

(四)主要技术参数表
RV-03卧式容积式换热器主要技术参数表

RV-04立式容积式换热器主要技术参数表

(五)尺寸表
RV-03卧式容积式换热器尺寸表

RV-04立式容积式换热器尺寸表

注:热媒为饱和蒸汽时,热媒出口管径可比表中DN3小2-3号
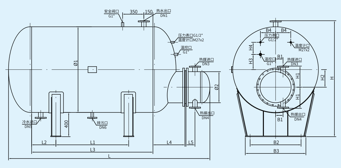
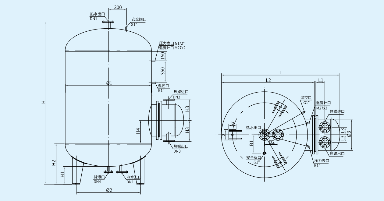
(六)外形尺寸图
RV-03卧式容积式换热器外形尺寸图

RV-04立式容积式换热器外形尺寸图

RV-03卧式容积式换热器管路接管示意图

RV-04立式容积式换热器管路接管示意图

设备材料表

注:1、热媒为热媒水时,不得设疏水器。
2、蒸汽为热媒时,热媒出水管管径应比热媒进口小2-3号。
3、温控阀由使用方与生产企业商定。
4、配管及配管上的阀门、疏水器、除污器、压力表、温度计等由设计定,使用单位自备。
产品实物图


,